How to Identify and Order the Right Graco Parts
Understanding the Importance of Genuine Graco Parts
When working with Graco equipment, whether in paint spraying, fluid handling, or industrial applications, the importance of using genuine Graco parts cannot be overstated. These machines are built with precision, and their performance relies heavily on the quality of each component. Substituting original Graco parts with generic alternatives may seem like a cost-saving measure, but it often leads to breakdowns, inefficiencies, and even safety hazards. By using authentic components, you maintain not only the performance of the equipment but also extend its operational life. Graco parts are designed to work seamlessly within the system they were engineered for, ensuring consistency and reliability across projects.
The most commonly replaced components often fall into the category of Graco pump parts, which are subject to constant wear and tear. Because pumps are the heart of many Graco systems, neglecting them or installing incompatible substitutes can lead to significant downtime. Investing in authentic parts is essentially an investment in productivity, quality, and safety.
Common Graco Parts and Their Functions
To order the correct Graco parts, it helps to understand what roles different components play within the system. Spray guns, hoses, filters, and pressure regulators all contribute to smooth operations. Spray guns rely on precisely manufactured nozzles and seals, while hoses must withstand pressure without leaks. Filters protect the equipment from clogging or contamination, and regulators ensure the paint or fluid is delivered at the correct pressure.
Among all these, Graco pump parts are among the most critical. Pumps move fluid through the system, and within them are several components that often require replacement—such as pistons, valves, diaphragms, and seals. Each of these parts contributes to the pump’s ability to maintain pressure and consistent flow. Over time, exposure to chemicals, abrasion, and pressure cycles wears them down, making timely replacement necessary. Recognizing these parts by function helps technicians or operators know what to look for when ordering replacements.
Signs That Graco Pump Parts Need Replacement
Equipment rarely fails overnight without warning. Understanding the signs of worn or failing Graco pump parts helps avoid costly downtime. Reduced pressure output is one of the most common indicators that a pump component has worn out. If the spray gun begins to sputter or the flow becomes uneven, it often means the internal seals or valves need attention.
Leaking is another red flag. Pumps rely on tight seals to maintain pressure, so any leakage points to compromised O-rings or diaphragms. Strange noises, such as grinding or knocking, can also indicate that pistons or other moving components are worn down. Additionally, if filters clog more frequently or fluids seem contaminated, it may point back to internal pump issues. Identifying these signs early allows you to order the right Graco pump parts before the equipment completely fails.
How to Identify the Correct Graco Parts
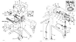
Ordering replacement parts requires more than just knowing that something is broken. You need to identify exactly which Graco parts are required. The first step is to locate the model number of your equipment. Graco machines typically have identification plates or stickers with the model and serial number clearly printed. This information is crucial when matching parts to ensure compatibility.
Next, consult the user manual or the official parts diagram. Graco provides detailed schematics that show how every component fits together, often down to individual screws and seals. By referencing these diagrams, you can identify the specific Graco pump parts or accessories that correspond to the failing component. This method reduces guesswork and ensures that the ordered parts will work seamlessly with your machine.
In cases where manuals are unavailable, taking clear photos of the equipment and damaged part can help when consulting with suppliers or Graco representatives. Many authorized distributors also have online tools or databases that allow you to input your model number and view all available Graco parts for that unit.
Ordering Graco Parts from Authorized Suppliers
Once you have identified the necessary components, the next step is ordering. Purchasing from authorized distributors is critical to ensure that you are receiving genuine Graco parts. Counterfeit or third-party substitutes may appear similar but often fail under stress. Authorized suppliers not only provide authentic components but also often carry warranties and technical support.
When placing an order, be prepared with the model number, serial number, and part number if available. Providing this information ensures the supplier can process your request quickly and accurately. Many suppliers offer both in-store and online ordering options, making it convenient to get the parts you need regardless of location. For high-use items such as Graco pump parts, it can be wise to order extras to keep on hand for emergency repairs.
The Role of Preventive Maintenance in Parts Replacement
While replacing worn Graco parts is sometimes unavoidable, proactive maintenance can reduce the frequency of breakdowns. Regular inspection of seals, hoses, and pump components helps identify small issues before they escalate. Cleaning the equipment after each use also prevents residue buildup that can damage pumps and valves.
Maintaining a log of past repairs and replacements is another effective strategy. By noting when specific Graco pump parts were last changed, you can predict when they might require attention again. This foresight helps reduce downtime by ensuring parts are on hand before failure occurs. Preventive maintenance, combined with the use of genuine Graco parts, creates a system that operates more efficiently and reliably.
Comparing Graco Parts with Aftermarket Alternatives
Operators are sometimes tempted by aftermarket alternatives due to lower upfront costs. However, these options rarely match the durability, precision, and reliability of genuine Graco parts. Pumps in particular demand components that are manufactured to exact tolerances. An aftermarket seal or valve might fit loosely, resulting in leaks or inconsistent performance.
Over time, the money saved upfront is often lost through repeated replacements, increased downtime, and reduced efficiency. In critical applications where precision and safety matter—such as industrial coatings, food-grade applications, or heavy-duty spraying—the risks of using non-genuine parts outweigh any potential savings. Sticking with original Graco pump parts and other components ensures long-term value and peace of mind.
Troubleshooting Before Ordering New Parts
Not all equipment issues require new components. Sometimes problems arise from improper assembly, incorrect pressure settings, or clogged filters. Before ordering Graco parts, it is wise to perform basic troubleshooting. For example, checking for air leaks in hoses, ensuring filters are clean, and verifying that fluid is properly mixed can resolve many performance issues.
If troubleshooting confirms that the issue lies within the pump or another internal mechanism, then replacement Graco pump parts are necessary. This stepwise approach saves money by avoiding unnecessary purchases and ensures that when parts are ordered, they address the real problem.
Tips for Efficient Parts Management
Managing Graco parts effectively requires organization. Keeping an inventory of frequently replaced components prevents delays during breakdowns. Many companies that rely heavily on Graco equipment maintain a small stock of essential Graco pump parts, seals, and filters. This practice minimizes downtime and avoids waiting for shipping times during urgent repairs.
Labeling storage areas and maintaining digital records of part numbers and quantities also helps technicians quickly find what they need. For large operations, assigning a staff member to oversee parts inventory ensures accountability and reduces the risk of stockouts. Efficient parts management is as important as ordering the correct components in maintaining reliable equipment performance.
Final Thoughts on Choosing the Right Graco Parts
The process of identifying and ordering the right Graco parts may seem complex at first, but with a structured approach, it becomes straightforward. Understanding the role of each component, recognizing the signs of wear, consulting official diagrams, and ordering from authorized suppliers all contribute to success. Above all, prioritizing genuine Graco pump parts and other authentic replacements ensures long-term reliability, efficiency, and safety.
For operators, technicians, and businesses that rely on Graco equipment, maintaining a proactive parts strategy pays dividends. Whether through preventive maintenance, accurate identification, or efficient inventory practices, the right approach to Graco parts management helps keep systems running smoothly and minimizes costly downtime. Investing in quality components today guarantees performance and productivity tomorrow.
